Canton Karat Reference 2 DC Speakers Review
- Product Name: Canton Karat Reference 2 DC
- Manufacturer: Canton Electronics
- Performance Rating:




- Value Rating:



- Review Date: February 11, 2004 23:00
- MSRP: $ 10,000/pair
|
Engineering
Principle Non./Music Power
Handling SPL (1 watt/1m) Frequency Response Crossover Frequency Crossover
network Enclosure Finishes |
Woofer Midrange Tweeter Nominal Impedance Dimensions
(WxHxD) Weight Special Features |
Pros
- Incredible cabinet build quality
- Esthetically appealing design
- Trapezoidal cabinet to reduce standing waves
- Hefty side firing woofer
- Built in isolation base plate for easy installation
- Passive radiator tuned below audible range for excellent bass integration
- D'Appolito style driver configuration
- Impressive bass performance for design
Cons
- Limited colors (silver and beech or cherry wood)
- Hard to find and audition
- Require high-powered/current amp for optimal performance
Karat Reference 2 DC Company Profile
Canton
was founded in 1972 by four hi-fi enthusiasts who
joined together with the goal of always producing the best speakers of their class.
Canton
is a combination of the Latin word "cantare" (to sing) and the
German word "Ton" (musical tone).
Canton
started
officially with 35 employees on
1 January 1973
assembling speaker enclosures. Their initial development work was done in a living
room.
Canton uses computer simulations and FEA models, along with CAD software to design their speakers. After the basic design is completed, they build a full prototype which is then immediately placed in an anechoic chamber for testing and verification. The prototypes and production speakers are all assembled by hand and immediately checked against the specifications from the reference unit.
Canton introduced the new Reference 2 DC speakers as their ultimate flagship. "We put everything into this development that is currently possible. Our team analyzed, simulated, made constructed handmade models to work out details, built prototypes and tuned the acoustics in countless auditions, until we were finally satisfied with the results. What we have achieved is a masterpiece that is the embodiment of a great deal of love and respect for detail", stated Canton 's CEO, Günther Seitz.
Some of the pictures in this article were provided by Canton and can also be found in their marketing literature. They were meant to provide accurate representation of the Canton Karat Reference 2 DC design. The Canton pictures were paired with our own pictures to enhance this article by providing as much detail and information as possible. Their pictures showed the internal chambering of the cabinet and exploded isometrics of the drivers which would normally be impossible to provide on our own. We hope you enjoy the unique visual representation of these speakers.
Karat Reference 2 DC Cabinet Design
Cabinet Color
Our first impression of the Canton Karat Reference 2 DC speakers was somewhat perplexed by the non-conventional cabinet design and color. The silver satin lacquer finish which accented our sample speakers seemed to make them stand out and appear much larger then they really were. Just when I though I wouldn't like such a bright finish installed in my Reference System, my wife commented on how nice they looked , alluding to a high WAF, regardless of their size . For the three months that followed, everyone who saw them these speakers had nothing but positive comments regarding the beauty of these speakers. This struck me as odd since aside from their striking color, and the almost subtle trapezoidal shape (at least when viewed from up front) they looked almost identical to my black reference speakers (RBH-1266 LSE). It seemed everyone who saw them were mesmerized by the silver lacquer finish. But if you're not brave enough to step out of the ordinary and experiment with such a sleek silver finish, Canton also offers a beech and cherry wood veneer.
Canton designed the Karat Reference 2 DC cabinets as a trapezoid which ensured there were no parallel surfaces (other than top and bottom) thereby reducing unwanted standing waves. The trapezoidal shape also added to the beauty of these speakers as it prevented them from looking boxy or plain. The sides of the cabinet were clearly offset on an angle which widened toward the back. But the front and back surfaces were also nonparallel, although not as noticeable. The other advantage to this design was that it reduced the front profile where the drivers were mounted making the cabinet appear smaller from the front while contributing to their improved off axis response.
With such a mighty, well constructed cabinet, we pondered on an
internal feature.
Canton did not panel the internal sides of the cabinet with dampening
panels which was found in many other speakers we reviewed.
While the standing wave from the trapezoid cabinet design may indeed be
reduced, there are still internal reflections that occur.
The question is, how detrimental to performance are these reflections?
Many speaker manufacturers, coated the internal sides of the cabinet
walls with a self adhesive dampening material to absorb the side to
side reflections.
Canton did not implement this convention in their cabinet design,
perhaps for several reasons.
It's possible that the trapezoidal shape reduced detrimental
reflections from interfering with the drivers as there wasn't an easy
path back to the driver as in a boxy designed cabinet.
In addition, the cabinet was constructed of two different densities of
material including a High Density and Medium Density.
While this reduced cabinet resonance, it may also have helped absorb
some of the potentially detrimental reflections.
What ever the case, I'm reasonably sure Canton thought of this prior to
constructing such a rugged, sturdy well engineered cabinet.
The cabinet was constructed from 1 ¼" thick multilayer HDF and MDF and coated in satin silver lacquer which Canton indicated that this was a tedious manufacturing process. This silver lacquer made Reference 2 DC seem surreal.
Without question, the Canton Karat Reference 2 DC cabinet was one of the best built cabinets I've seen thus far in a speaker at or under $10k. From the bracing to the coating and finish, it's easy to see how technically solid and difficult this cabinet was to build.
Cabinet Bracing and Baffles
Perhaps due to our engineering background which makes us wonder how everything works, or our general curiosity, combined with our desire to create a complete review, we took the liberty of dissecting the Karat Reference 2 DC by removing the drivers. It was only after the fact that we asked forgiveness from the Manufacturer, who was gracious in their response. Given their price, I proceeded with much caution, and enthusiasm. Upon removing all the drivers, I began my thorough examination of the foam and internal bracing.
The internal structure was a vast array of bracing and baffles creating five chambers all designed to dampen and stiffen the cabinet as well as reducing standing waves.
In between all the bracing was a dazzling amount of fibrous sound foam. A V-shaped baffle located behind the mid-ranges was an indication that Canton made notable attempt of reducing back to front reflections that can sometimes interfere with the performance of the drivers. Behind the V-shaped baffle was a wall which isolated the enormous cross-over electronics. The drivers were mounted with a foam surround gasket to further isolate them from the cabinet and reduce resonance. Upon examining the cabinets, it was easy to identify that these were not an easy-to-make assembly. Instead, I'm certain that it was pain staking laborious effort to hand assemble these robust, fortified cabinets.
Cabinet Base Plate and Shock Absorber
To me, nothing is more annoying than opening a pair of speakers, moving them into position, and then having to install spikes, especially when they weight almost 140-lbs each. What's equally annoying is trying to find coins, or some other sufficient item, to wedge beneath the spikes so they do not scratch, dent or mare the tile/hardwood floor. For those who share this dislike, Canton has provided the solution. The cabinets for the Karat Reference 2 DC are equipped with built in floor plates and shock absorbers making the installation of these speakers nothing more then locating them, and plugging them in. No spikes, no coins, no scratches, no balancing, just simply drop, plug and play. The base plate and shock absorbers provided sufficient decoupling of the speaker to the floor, thereby possibly potentially improving the performance of the speaker.
Grill Covers
One very unique feature of the Canton design was that there were no visible mounting holes for the grill covers. Canton cleverly implemented the holes in the mounting flange of the mid-range to make them non obtrusive for those "nudists" who prefer to go grill-less.
Driver Mounting and Connection
Another redeeming quality incorporated in the design was regarding Canton's method for mounting the drivers. Instead of using wood screws in the MDF material, Canton incorporated metal insert fasteners for all drivers and secured them with machine screws. This was especially useful for us when we removed the drivers and installed them back in place as we didn't have to worry about the MDF threads stripping. The foam gasket behind the drivers was a light weight, thin foam material unlike some of the rubber gaskets we've seen in other designs. But what was probably more important and commendable was that the wiring connecting of all the drivers were soldered instead of using lugs. Canton also used twisted triple wires for the + and - connections of each driver, thereby reducing resistance between the crossover electronics and the drivers.
Karat DC 2 Speaker Components
The Drivers
The Karat Reference 2 DC speakers were equipped with a 1" bi-metal tweeter, two aluminum cone mid-ranges, one 12" cellulose woofer and one passive bass reflex system all combined with an enormous and sophisticated 16-lb crossover. Canton stated that all of the drivers used in the Karat Reference 2 DC (and all their speakers for that matter) were designed and manufactured exclusively by Canton .
The Tweeter
Canton used a modified version of their lauded 1-inch aluminum-manganese dome tweeter in a D'Appolito style configuration. This tweeter featured the company's signature one-piece dome and voice-coil former which was said to offer improved linear coupling and heat dispersion. When we interviewed Frank Gobl (head of research and development) during CES, we asked what he thought was the reason for the stellar performance of their metal dome tweeter. Having a personal preference for soft dome tweeters based on my experience with the Scan Speak models (as well as others), it was a treat to hear a metal dome tweeter which sounded natural and detailed without being bright or harsh. Frank told us the reasons for the improved performance of the Canton designed tweeter are several. Firstly, Canton implemented two distinct metals in the dome, aluminum and manganese, in order to minimize detrimental resonant frequencies which can occur from single metal domes. In addition, Frank informed us that unlike soft dome tweeters, a metal dome design could be shaped and molded into specific patterns that prevented ringing while providing a predictable and accurate frequency response. What ever the reason, this metal dome tweeter made a believer out of me.
To further improve the performance of the tweeter, Canton isolated the tweeter in a separate chamber. The wires which passed through the chamber were potted into place filling the hole and thereby totally isolating the tweeter.
The Mid-Ranges
Two 180-mm (7") aluminum cone drivers with a 1" voice coils created
the mid-range section of the Karat Reference 2 DC speakers. What struck
us as odd upon examining these mid-range drivers was the fact that they
baskets were made from a polycarbonate, not cast aluminum or magnesium
which tend to be more common.
Furthermore, the webs of the basket were spread out far apart with only
4 in total.
Other aluminum dome drivers with cast aluminum frames this size
typically have at least 6 webs.
We pondered on this for a bit and then asked Frank Gobl the reasoning
behind such a design. Frank told us that the baskets were made from
this poly-carbonate
with 20% glass pellets
which he stated was more inert and stiffer than metal. He also
explained that by using this material, it ensured that the major
resonance behavior was well outside the used frequency range of each
driver.
He added that you can literally stand on the basket and not be
concerned over it breaking or crumbling.
But even so, we couldn't help but wonder what the Karat Reference 2 DC
speakers may have sounded with a more traditional driver.
Another noticeable item was the smaller sized magnet when compared
to other drivers of this size. Once again, Canton points out that there
is rhyme and reason. Canton implemented a high power neodymium magnet
which reduced its overall size while improving internal venting.
Neodymium magnet driver designs, if not properly vented, can
essentially lead drivers into thermal compression. While we have heard
this problem on lesser designs, it didn't seem to be an issue with the
Karat 2 DC.
The Bass Reflex System
To Port or not to Port? - That is the question.
Canton utilized a passive radiator design on the Karat Reference 2 DC speakers. In the past, I have not been an advocated of this solution as many of the mass produced speaker companies tended to use this only to show more driver space. But Canton once again has made a believer out of me. During our meeting with Frank Gobl, we asked him to comment on Canton 's design and the radiators ability to produce such deep, tight and accurate bass. Frank told us that they did not just implement a passive radiator; they created a bass response system. He went on to explain that port noise is very common with many ported cabinet designs. Furthermore, in order to prevent port noise, it's important to tune the cabinet below the audible range, which is below 20-Hz, as well as below the resonance frequency of the driver, which in this case, was 10-Hz. In order to do this, the port size became so large that it would have resulted in an increased cabinet size which would in turn ripple into a list of other issues. Frank told us that the Canton solution to this design challenge was to create a passive radiator that acted as more than a bass reflex system. It also tuned the cabinet below 10-Hz thereby eliminating port noise and resonance. The result is the deepest, most natural bass I've heard from a non-powered loudspeaker.
Woofer Bass Driver
What passive radiator design would be complete without a woofer to drive it? In this case, the Canton Karat Reference 2 DC speaker implemented a 310-mm (12") cellulose graphite material woofer.
Unlike the mid-ranges, the basket for the woofer was cast-magnesium with 6 webs thereby adding to the weight and robustness of this massive driver. Frank explained that the magnesium basket was much stiffer than a cast aluminum design and that the resonance was much lower than the low frequency response of the woofer, thereby improving the bass handling of this driver. For the record, magnesium is 1/3 lighter than aluminum and is a silvery-white, and fairly tough metal that ignites upon heating over 500 degrees in air. There aren't too many manufacturers that use magnesium due to the hazards involved during casting and machining, both of which are heat related processes.
The Crossover Electronics
Upon examining the cabinet, Gene and I couldn't help but wondered what was behind the 12 screws that mounted a rather large back plate. So we began the unscrewing process thereby revealing what was probably the largest crossover electronics we've ever cast our eyes upon.
The massive 16 pound 3-way crossover network featured quality components such as ICW capacitors, hand-wounded coils, and it was mounted in its own decoupled hermetically sealed chamber providing optimal microphonic isolation from the speaker's mechanical and acoustical parts. The crossover also included Linkwizt filters to combine 12-dB/octave electrical filter with 12-dB/octave acoustic filtering for a 24-db/octave roll-off. Fast Audio 6M cabling was soldered to each speaker with twisted triples extended to all drivers.
We asked Frank Gobl how Canton can incorporate such a vast array of electronics while minimizing insertion loss. Frank assured us that their design and build quality was such that insertion loss was minimized and not an issue.
Karat Reference 2 DC Technical Information
Regarding the baskets: We use Magnesium (no Aluminum) for the woofer because of the very high stiffness of this material and plastic (polycarbonate with 20% glass pellets) for the midrange because of its very high inner damping. The reason for that is we want to use material with major resonance behavior well outside the used frequency range of each driver.
The picture below shows the cone of the R2 midrange driver with a theoretical displacement of 5mm at around 1kHz . Of course it is impossible to produce a displacement of 5mm at 1kHz with a real driver, but it shows impressive the behavior of the cone.
Theoretical Displacement R2 Midrange Driver
Cone
The next two pictures are from our simulation software "OERSTED" from IES. The pictures
show the B-field of a standard motor in comparison to the motor of the Reference 2. Two screenshots
show the magnetic field within the air gap and the other two shows the magnetic flow within the
material.
Karat Reference 2 DC Technical Information Continued
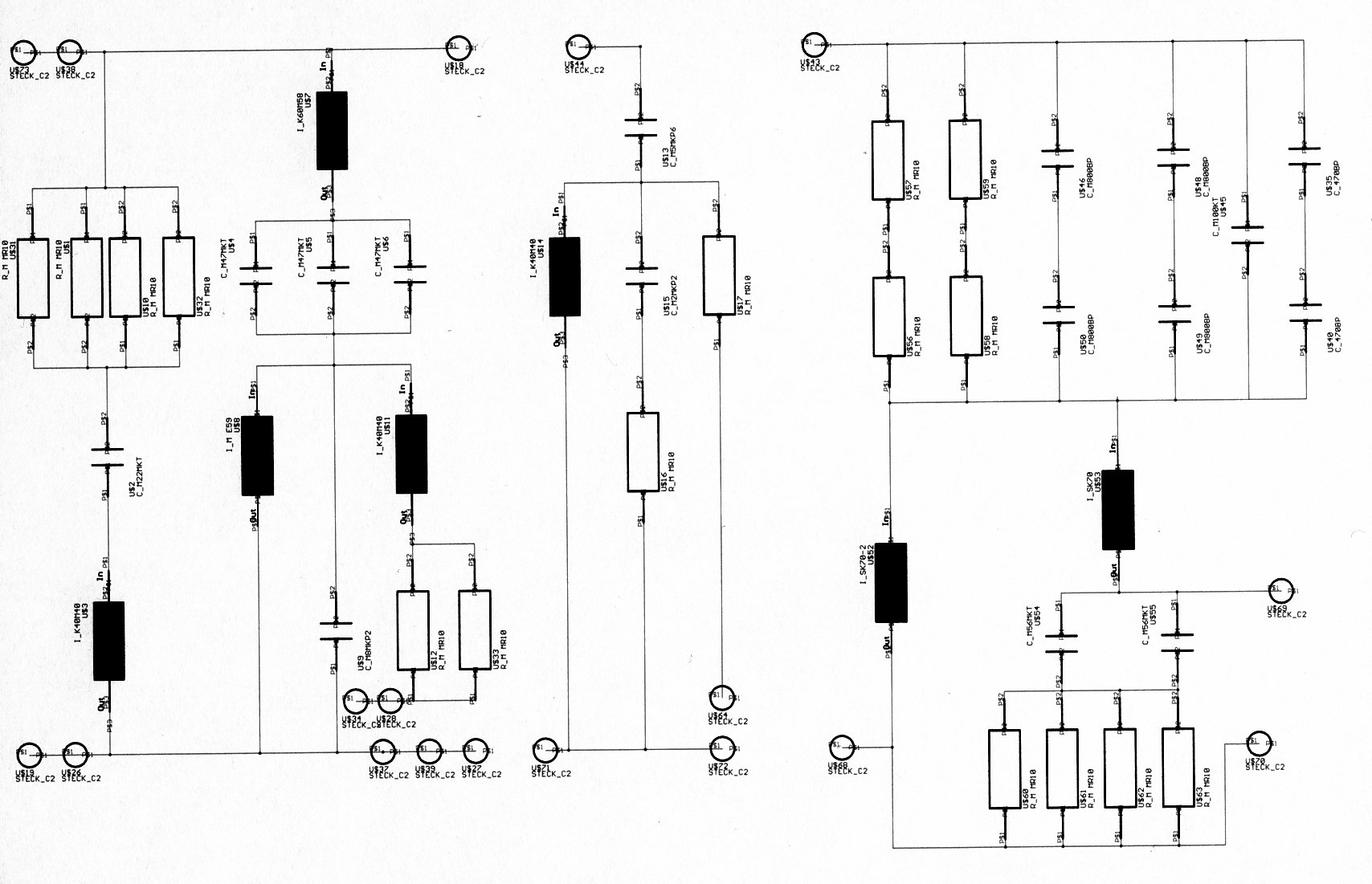
In this section, you'll find a scan of the R2 DC network (out of the PCB program EAGLE).
On the left you can see the midrange network with impedance correction and 12dB band pass. In the mid you'll find the tweeter network with a 12dB high pass and also the impedance correction. On the right side the bass network is shown. It contains our DC technology (12dB high pass) and a 12dB low pass.
There you can see that it is a "normal" passive network with one board for every route. There are a lot of components on the board because of the low internal losses and the high power capability we wanted to reach. And this is possible only by using huge inductivities and resistors and capacitors in parallel or series arrangement.
DC (displacement control) is a development of Canton that prevents the woofer above sub harmonic (inaudible) waves and compensates the roll off of the driver as shown in the picture below. This is a picture that explains the comparable SC technology (because I've no picture about the DC technology). The difference between DC and SC is that DC is a "passive version" and SC is a "active version " ( with operational amplifiers) in for example half active solutions like our Ergo RC-A.
With the DC technology we are able to reach a lower -3dB cut off frequency at the same
enclosure volume or otherwise a smaller enclosure at the same cut off frequency compared to speakers
without this technique. And because of the lower excursion of the diaphragm at frequencies below the
cut off frequency the driver is able to produce a higher maximum sound pressure level.
Stiffness of Suspension and Electrical Inductance - Click Image to Enlarge
Canton Technical Data - Click Image to Enlarge
Karat Reference 2 DC Terminals, Evaluations and Conclusion
Terminals
The Karat Reference 2 DC's provided both bi-wiring and bi-amping options. But my minor complaint about the Canton speakers was that the pair we reviewed incorporated unconventional terminals which did not allow banana plugs to be installed. This made it challenging for us to switch from speaker to speaker, as we needed to use bare wire leads. At first, we tried to install the banana plug speaker cable into the opening, but it required unscrewing the terminal beyond their thread range. But it did not pose a problem as 0/12 12-AWG speaker wire can be nicely snugged and secured. Furthermore, Canton informed us that they were now shipping these speakers with the terminals shown on the right which included a 4-mm drill for 4-mm banana plugs.
On With the Show
With all of these technical considerations, the build quality of these speakers, and the pain staking effort it was to move these 139-lb behemoths to Reference System 2, we briefly pondered if it was worth all our efforts. But from upon the first listen, we knew we were in for a real treat.
Sound quality is an extremely subjective subject that really depends on many factors, including listening position, room acoustics, personal tastes and a host of others. To be as objective as possible, we did our listening tests with four different listeners each using their most familiar music and soundtracks. Since there needed to be a basis for comparison, our reviews of the Canton speakers were compared with the RBH modified Signature Series 1266-LSE's ($5999/pr MSRP).
I have to say that the Canton Karat Reference 2 DC speakers were the first pair of speakers installed in Reference System 2 thus far, that were able to hold their own. We ran the speakers through an array of different media and sources, including Dolby Digital, DTS, SACD, DVD-Audio, and two channel music, all derived from DVD-Movies, DVD-Concerts and high quality CD's. The music varied between jazz to rock, with a balanced mix of vocals (male and female) and instruments. The movie tracks included Terminator 3, Star Wars - Attack of the Clones, Yes - Symphonic Live, Rush - Live In Rio, Eric Clapton - One More Car, One More Rider, Peter Gabriel - Growing Up Live, and a slew of others. Two channel CD's consisted of the tremendous recording quality cd from Steely Dan, "Two Against Nature," Yes - "Ladder," Marillion - "Brave," Fish - "Sunsets on Empire." topped off with female vocalists such as Annie Lennox, Jewel and Melissa Etheridge.
Bass Performance
First impressions are always important, and our first impression of the Canton Karat Reference 2 DC loudspeakers was, "WOW." We started our listening experience in two channel with no subwoofer. The bass which emanated from these speakers was indescribably tight, deep and radiant and filled the room. After listening to only a few brief tracks, I was convinced that the passive bass reflex system implemented in this design was extremely effective and produced some of the tightest bass I've heard in a pair of non-powered loudspeakers thus far. Drums and electric bass instruments seemed to come to life while the sound bellowed throughout the room. I was shocked to be able to clearly hear subtle bass-guitar and drum details which seemed somewhat more subdued in other speakers incorporated in this Reference System. On the Canton speakers, bass-guitars seemed to sustain and resonate in way's I've only heard previously coming from a bass guitar amplifier during live performances. Drums seemed to snap and resonate with more dynamics and kick drums especially, were deep and radian t.
Mid-Range Performance
What was most notable was how the mid-range projected such a wide listening field, especially when compared to the RBH 1266 LSE's which also incorporated D'Appolito style configured drivers but with a phase-plug design. The Canton Karat Reference 2 DC loudspeakers created a wider dispersion angle encompassing near equal performance throughout the room at almost any listening angle indicating that these speakers were designed for mid-size (12') to larger (22'+) theater rooms.
Based on my experience with RBH Sound, I've become a believer in aluminum drivers, especially when they are of good quality and implemented correctly. But I have heard other loudspeakers with aluminum drivers which were harsh or overly bright. This was not the case here as it seems Canton also implemented metal drivers in a way that allowed them to sound tight, dynamic and vibrant. While they were not quite as detailed and articulate as the RBH's, they seemed to take on a more of a laid back character in the vocals while sounding open, and produced a rich and accurate soundstage that was well suited to this size speaker.
Tweeter Performance
This was one of the rare times I've heard a metal dome tweeter perform as well as the one implemented in Canton 's Karat Reference 2 DC loudspeakers. This was a shock to me, especially after listening to the Scan Speak D2905/9500 soft dome tweeter (found in the RBH LSE Signature Series) for so long. Until now, I was almost conditioned to think that metal domes were bright based on past listening experiences with lesser designed metal dome tweeters for so long. The Canton tweeter performed extremely well, without sounding harsh, lispy or compressed. While it may not have had quite the refinement of the soft dome Scan Speak D2905, it did provide tremendous detail and clarity and coupled nicely with the wide dispersion sound of the mid-range. Based on its apparent uniform on/off axis frequency response, we advise little or no toe-in when installing these speakers.
Overall Impression of Sound Quality
The Canton Karat Reference 2 DC loudspeakers produced a well balanced, uniform even sound that was rich and radiant. The bass was remarkable, however we felt that perhaps the vocals and acoustic guitars may not have been quite as articulate or refined as our Reference Speakers. This was mainly noticeable with female vocals on a handful of soundtracks such as some well recorded Jewel CD's or Annie Lennox's new Academy Award winning track from The Lord Of The Rings. When listening to the 1266 LSE's these vocals sounded a tad more detailed to the point where you could hear the most subtle of nuances of their voices and breathing. On the Karat Reference 2 DC's, the vocals seemed a tiny bit less delicate, yet still very detailed and full. Keep in mind that we listened hours on end switching frantically back and forth just to notice only very minor differences which most less critical listeners may not even notice. With that, the Karat Reference did clearly provide a wider angle of dispersion which is more significant in most applications and installations. This speaker imaged extremely well in every area of the room, and in this aspect, it clearly out performed the Reference RBH Speakers. This means the "sweet spot" for the Karat Reference 2 DC's was extremely large making it ideal for larger home theater rooms where many people would be enjoying the sound in different locations throughout the room.
Conclusion
The Canton Karat Reference 2 DC loudspeaker can be described as dynamic, robust, earth shattering, and stellar all married with beauty and esthetic delight which even passed the Wife Acceptance Factor (WAF) . These speakers were unlike any I've reviewed before. From the build quality, complexity of the cabinet design, bracing and chambering, cabinet finish and crossover electronics all the way to the rich deep bass and wide listening field, the Karat Reference 2 DC's truly do rate among some of the best in their class especially when considering their size.
Even though they were a mighty sized tower speaker at a whopping 139-lbs each, they could be considered as small when compared to other speakers we've seen and heard in this price range as they took on a much smaller physical presence based on their slick cabinet geometry . Yet as "small" as they appeared to be, they produced a large soundstage and presence fully holding their own in any comparison and listening test.
The Karat Reference 2 DC's were a delight to review and examine and will
be missed dearly when returned. It was equally as delightful to meet
and dialog with Frank Gobl (head of research and development). Bravo to
Frank and Canton for producing an attractive, fine sounding speaker
system.
The Score Card
The scoring below is based on each piece of equipment doing the duty it is designed for. The numbers are weighed heavily with respect to the individual cost of each unit, thus giving a rating roughly equal to:
Performance × Price Factor/Value = Rating
Audioholics.com note: The ratings indicated below are based on subjective listening and objective testing of the product in question. The rating scale is based on performance/value ratio. If you notice better performing products in future reviews that have lower numbers in certain areas, be aware that the value factor is most likely the culprit. Other Audioholics reviewers may rate products solely based on performance, and each reviewer has his/her own system for ratings.
Audioholics Rating Scale




— Excellent



— Very Good


— Good

— Fair
— Poor
| Metric | Rating |
|---|---|
| Build Quality | |
| Appearance | |
| Treble Extension | |
| Treble Smoothness | |
| Midrange Accuracy | |
| Bass Extension | |
| Bass Accuracy | |
| Imaging | |
| Soundstage | |
| Dynamic Range | |
| Performance | |
| Value |







