What are the Different Types of Audio Amplifier Classes?
originally published: April 20, 2014
If you’ve ever glanced at the specifications sheet for an amplifier, one of the things you may have noticed is the amplifier’s class. Typically denoted by a letter or two, the most common amplifier classes used in consumer home audio today are Class A, A/B, D, G, and H. These classes aren’t simple grading systems, but descriptions of the amplifier’s topology, i.e. how they function at a core level. While each amplifier class comes with its own set of strengths and weaknesses, their job (and how end performance is judged) remains the same: to amplify the waveform sent to it by a preamplifier without introducing distortion, or at least as little as possible distortion. So what does our alphabet soup of amplifier classes mean? Keep reading to find out but first watch our recently added YouTube video discussion!
Amplifier Classes YouTube Discussion
Need Help choosing a new Audio Amplifier?
Check out our approved Affiliate Dreamedia AV for a great selection and sound advice.
Basic Audio Amplifier Classes Defined
We are going to be discussing how amplifiers conduct through waveforms, so a basic diagram of a sinewave is shown below.
Sinewave - a full wavelength represents 360 degrees
Class A
As compared with the other amplifier classes we’ll cover, Class A amps are relatively simple devices. The defining principle of Class A operation is that all of an amplifier’s output devices must be conducting through the full 360 degree cycle of a waveform. Class A can also be broken down into single ended and push/pull amplifiers. Push/pull diverges from the basic explanation above by utilizing output devices in pairs. While both devices are conducting through the full 360 degree cycle, one device will shoulder more of the load during the positive portion of the cycle, while the other handles more of the negative cycle; the primary advantage of this arrangement is reduced distortion relative to single ended designs, as even order harmonics are cancelled out. In addition, push/pull Class A designs are less susceptible to hum; single ended designs tend to require special attention to the power supply to mitigate this issue.
A simple Class A diagram (left; courtesy of sound.westhost.com) and a high powered Class A amplifier, the Pass Labs XS150 (right).
Because of the positive attributes associated with Class A operation, it is considered the gold standard for audio quality in many audiophile circles. However, there is one important drawback to these designs: efficiency. The requirement of Class A designs to have all output devices conducting at all times results in significant amounts of wasted power, which is ultimately converted to heat. This is further exacerbated by the fact that Class A designs require relatively high levels of quiescent current, which is the amount of current flowing through the output devices when the amplifier is producing zero output. Real world efficiency rates can be on the order of 15-35%, with the potential to drop into the single digits using highly dynamic source material.
Class B
While all of the output devices in a Class A amplifier are conducting 100% of the time, Class B amplifiers utilize a push/pull arrangement in such a way that only half the output devices are conducting at any given time: one half covers the +180 degree portion of the waveform, while the other covers the -180 degree section. As a consequence, Class B amplifiers are substantially more efficient than their Class A counterparts, with a theoretical maximum of 78.5%. Given the relatively high efficiency, Class B was used in some professional sound reinforcement amplifiers as well as some home audio tube amps.
In spite of their obvious strength, the odds are good you won’t see too many pure Class B amplifiers floating around. The reason for this is known as crossover distortion.
Crossover distortion affecting a simple sine wave; image courtesy of sound.westhost.com.
As seen in the image above, crossover distortion is a problem/delay in the handoff between the devices handling the positive and negative portions of the waveform. Needless to say, such distortion in sufficient amounts is audible, and while some Class B designs were better than others in this respect, Class B didn’t receive much love from audiophiles.
Class A/B
Class A/B, as one might deduce, combines the best of Class A and Class B in order to create an amplifier without the drawbacks of either. Thanks to this combination of strengths, Class A/B amplifiers largely dominate the consumer market. So how did they do it? The solution is actually fairly simple in concept: where Class B utilizes a push/pull arrangement with each half of the output stage conducting for 180 degrees, Class A/B amplifiers bump that up to ~181-200 degrees. By doing this, there is far less potential for a “gap” in the cycle to occur, and consequently, crossover distortion is pushed down to the point where it’s of no consequence.
So what about that little matter of efficiency? Suffice it to say, Class A/B delivers on its promise, easily trumping the efficiency of pure Class A designs with rates on the order of ~50-70% being achieved in the real world. Actual levels do of course depend on how the amplifier is biased and the program material among other factors. It’s also worth noting that some Class A/B designs take things a step further in their quest to banish crossover distortion, operating in pure Class A mode for up to a few watts of power. This does give up some efficiency when operating at low levels, but still ensures that the amplifier doesn’t turn into a furnace when delivering large amounts of power.
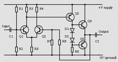
An example of a Class A/B circuit (left; sourced from Wikipedia) and the Emotiva XPA-1L Class A/B amplifier that operates in pure Class A mode up to the first 35W (right).
Class G & H
Another pair of designs engineered with an eye towards improved efficiency, technically speaking neither Class G nor Class H amplifiers are officially recognized. Instead, they are variations upon the theme of Class A/B, utilizing voltage rail switching and rail modulation respectively. In either case, under low demand conditions, the system utilizes a lower rail voltage than a comparably rated Class A/B amplifier, significantly reducing power consumption; as high power conditions arise, the system dynamically increases rail voltage (i.e. switches to the high voltage rail) to handle high amplitude transients.
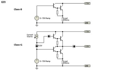
A comparison of Class B and Class G topologies (left; image sourced from sound.westhost.com) and the Outlaw Model 2200, a compact, cool running 200W Class G amplifier (right).
So what’s the drawback here? In a word: cost. Original rail switching designs utilized bipolar transistors to control the output rails, increasing complexity and cost. These days, that is often reduced to an extent with the use of high current MOSFETs to select / vary the rails. Not only does the use of MOSFETs further improve efficiency and reduce heat, but fewer parts are required (usually one device per rail). In addition to the cost of rail switching / rail modulation itself, it’s also worth noting that some Class G amplifiers utilize more output devices than a typical Class A/B design. One pair of devices will act in typical A/B fashion, fed by the low voltage rails; meanwhile another pair is held in reserve to act as a voltage booster, only activated as the situation demands. At the end of the day, because of these additional costs you’ll usually only see Class G and H associated with high powered amplifiers where the increased efficiency makes it worthwhile. Compact designs may also leverage Class G / H topologies as opposed to Class A/B given that the ability to switch to a low power mode means they can get by with a slightly smaller heatsink.
Class D
Often erroneously referred to as “digital amplification”, Class D amplifiers represent the zenith of amplifier efficiency, with rates in excess of 90% being achieved in the real world. First things first: why is it referred to Class D if "digital amplification" is a misnomer? It was simply the next letter in the alphabet, with Class C being utilized in non-audio applications. More importantly, how is 90%+ efficiency possible? While all the amplifier classes previously mentioned have one or more output devices active all the time, even when the amplifier is effectively idle, Class D amplifiers rapidly switch the output devices between the off and on state; as an example, Class T designs, which are an implementation of Class D designed by Tripath as opposed to a formal class, utilize switching rates on the order of 50MHz. The output devices are typically controlled by pulse width modulation: square waves of varying widths are produced by a modulator, which represents the analog signal to be reproduced. By tightly controlling the output devices in this way, efficiency of 100% is theoretically possible (although obviously not achievable in the real world).
Example of a full bridge Class D circuit (left; sourced from sound.westhost.com), and the IQ M300 Class D amplifier, a pint sized 300W wonder (right).
Delving deeper into the world of Class D you’ll also find mention of analog and digital controlled amplifiers. Analog-controlled Class D amplifiers have an analog input signal and an analog control system, usually with some degree of feedback error correction present. On the other hand, digitally controlled Class D amplifiers utilize digitally generated control that switches a power stage with no error control (those that do have an error control can be shown to be topologically equivalent to an analog-controlled class D with a DAC in front). Overall, it’s worth noting that analog controlled Class D tends to have a performance advantage over its digital counterpart, as they generally offer lower output impedance and an improved distortion profile.
Next, there is the (not so) small matter of the output filter: this is generally an L-C circuit (inductor & capacitor) placed between the amplifier and the speakers in order to mitigate the noise associated with Class D operation. The filter is of considerable importance: shoddy design can compromise efficiency, reliability, and audio quality. In addition, feedback after the output filter has benefits. While designs that do not utilize feedback at this stage can have their response tuned to a particular impedance, when such amplifiers are presented with a complex load (i.e. a real world loudspeaker as opposed to a resistor), frequency response can vary considerably depending on the loudspeaker load it sees. Feedback stabilizes this issue, ensuring a smooth response into complex loads.
Ultimately, the complexity of Class D has its rewards: efficiency, and as a good consequence, less weight. As relatively little energy is wasted as heat, much less heat sinking is required. Ratcheting that up a notch, many Class D amplifiers are used in conjunction with switch mode power supplies (SMPS). Like the output stage, the power supply itself can be rapidly switched on and off to regulate voltage, leading to further gains in efficiency and the ability to shed weight relatively to traditional analog / linear power supplies. Taken together, it’s possible for even high powered Class D amplifiers to weigh only a few pounds. The disadvantage of SMPS power supplies over traditional linear supplies is the former typically don't have much dynamic headroom. Our limited testing of Class D amps with linear supplies vs SMPS supplies have shown this to be true where two comparably rated power amps both delivered rated power, but the one with the linear supply was able to produce higher dynamic power levels. Still SMPS designs are becoming more commonplace now, and you can expect to see more high powered, next generation Class D amplifiers employing them.
Just how efficient is a typical Class D amplifier relative to a run of the mill Class A/B design?
In a word: extremely. While a Class A/B amplifier's efficiency improves as it approaches maximum output, Class D designs maintain a high efficiency rating over the majority of their operating range; as a result, real world efficiency tilts further in their favor. Image courtesy of sound.westhost.com.
One Amplifier to Rule Them All?
With proper implementation, any of the above outside of pure Class B can form the basis of a high fidelity amplifier. Not good enough for you? Then let’s look at the relative strengths and weaknesses of each design:
| Amplifier Class |
Typical Efficiency |
Pros |
Cons |
| A | ~15-35% | No possibility of crossover distortion. |
Inefficiency = heat Single ended designs prone to hum and higher levels of distortion. |
| B | ~70% | Relatively high efficiency. |
Potential for significant amounts of crossover distortion and compromised fidelity |
| A/B | ~50-70% | More efficient than Class A. Relatively Inexpensive. Crossover distortion can be rendered moot. |
Efficiency is good, but not great. |
| G & H |
~50-70% | Improved efficiency over Class A/B. |
Costlier than Class A/B but higher power levels are achievable in a smaller form factor. |
| D | >90% | Best possible efficiency Light weight. |
Pulse width modulators operating at relatively low frequencies can compromise high frequency audio reproduction. Some designs produce varying sound quality depending on speaker load. |
Outside of potential performance pitfalls (which are primarily a consequence of design decisions as opposed to being inherent to a class), the choice of amplifier class is in large part a question of cost versus efficiency. In today’s market, Class A/B dominates the scene, and for good reason: they perform very well, are relatively cheap, and their efficiency is perfectly adequate for low powered applications (>200W). Of course, as amplifier manufacturers try to push the envelope of power delivery with amplifiers like the 1,000 watt Emotiva XPR-1 Mono-Block, they turn to Class G/H and Class D designs to avoid having their amplifiers double as space heaters. Meanwhile, on the other end of the market are Class A aficionados who can forgive a lack of efficiency in the hopes of purer sound.
Summary
In the end, amplifier classes aren’t necessarily as important as some people might ascribe. Yes, there are important differences, particularly when it comes to cost, amplifier efficiency, and consequently weight. Certainly a 500W Class A amplifier is a bad idea, unless the idea of using your amplifier as an oven appeals to you. On the other hand, the differences among the classes don’t inherently define sound quality. In the end, that comes down to engineering and implementation; at Audioholics, we’ve been lucky to hear (and measure) great examples of all classes of amplifiers. Have a favorite? Make sure to voice your opinion on our forums.









